Электропроводка
Домашнему электрику рано или поздно придется устранять ненадежный контакт между проводом и розеткой (выключателем, патроном светильника и т. д.) или же заменять и устанавливать розетки, светильники, ремонтировать участки электропроводки, а то и полностью их заменять. При проведении этих работ необходимо руководствоваться Правилами устройства электроустановок (ПУЭ), содержащих требования по обеспечению в электропроводках пожарной безопасности и электробезопасности. В зависимости от них применительно к виду помещения, характеру нагрузки, условиям эксплуатации определяется вид электропроводки, марка провода или кабеля, сечение жил, способ крепления проводов и оконечных устройств, типы соединений, характеристики устройств защиты в т. д.
Для обеспечения требования ПУЭ надо знать существующие типы проводок, схему проводки в квартире, характеристики проводов, принцип работы устройств, входящих в электропроводку, правила монтажа и приемы работ с инструментом, методы поиска и устранения неисправностей. Следует знать также, что внесение в электропроводку принципиальных изменений должна предварительно согласовываться с организацией, эксплуатирующей здание. А при проектировании в монтаже электропроводки в индивидуальных домах и других личных сооружениях необходимо руководствоваться Инструктивными материалами Главгосэнергонадзора (М.: Энергоатомиздат, 1983), содержащими требования к проектной документации на проводку, правила монтажа и испытаний, ответственность за ее состояние и правильность эксплуатации.
Основные неисправности электропроводки. Электропроводка, выполненная в соответствии с ПУЭ, при правильной эксплуатации надежно работает десятки лет. Ее повреждения вызываются, как правило, механическими воздействиями, токовой перегрузкой при неисправной защите или включением неисправных электроприборов. Виды повреждений в принципе сводятся к двум: замыканию или обрыву, но конкретных причин и последствий повреждений множество. Основные причины замыкания: повреждения изоляции токонесущих жил и элементов приборов, их ненадежное крепление и соединение между собой или с заземленными трубами отопления, газо- и водоснабжения, с корпусами заземленных приборов. Обрывы в цепи электропроводки происходят из-за надломов жил (особенно алюминиевых) в результате их частых изгибов, из-за коррозии жил, ослабления контактных зажимов. Обрывы часто возникают даже в гибких шнурах питания электроприборов у выхода их из вилки или корпуса прибора. В этих участках шнура (внутри его изоляции) может возникнуть электрическая дуга, способная вызвать прожог изоляции и короткое замыкание. Перегрузка проводов проводки током от включения приборов, потребляющих мощность, превышающую расчетную для проводки, может вызвать ее загорание. Поэтому исправность защитных устройств — важнейшее условие безопасной эксплуатации электропроводки. И, следовательно, применение самодельных «жучков» в предохранителях недопустимо.
Виды электропроводки и основные требования по монтажу и ремонту. Электропроводка по виду исполнения подразделяется на открытую и скрытую. В жилых помещениях выполняется, как правило, скрытая проводка. Провода марок АППВС, АПН, АППВ, АПВ, АПРН и др. прокладываются внутри стен, под полом, в каналах строительных конструкций, под слоем штукатурки.
У зданиях из унифицированных конструктивных элементов направления каналов в панелях и перекрытиях определяются при их проектировании исходя из кратчайших путей для проводов. Каналы в панелях пересекаются с гнездами под выключатели, розетки или оканчиваются этими гнездами (рис. 2).

Рис. 2. Коробка под электроустановочные устройства
На выходе каналов из панелей и перекрытий формируются узлы сопряжения проводов (рис. 3), концы которых после сварки и изоляции заделываются цементным раствором, гипсом или заводятся в ответвительные коробки.

Рис. 3. Соединение проводов в ответвительной коробке
В сочетании со скрытой проводкой в общественных местах жилых домов провода прокладывают в электротехнических плинтусах. Плинтус — длинный узкий пенал с рядом продольных перегородок, изготовленный из трудносгораемой пластмассы. Крышка из того же материала защелкивается на пенале его пружинящими боковыми стенками (рис. 4). Плинтусы укрепляются на стенах у пола, потолка и по периметру дверных проемов. В этих плинтусах прокладывают также телефонные линии, телевизионные кабели, сети радиотрансляции.

Рис. 4. Электротехнические плинтусы:
1 — основание; 2 — крышка
Квалифицированному домашнему электрику доступен ремонт любого вида электропроводки. Однако новую электропроводку он может проложить только открытого вида или под последующую штукатурку. Ремонт на проводке, скрытой в панелях и перекрытиях, целесообразно ограничить лишь сменой розеток, выключателей, осветительной арматуры, укреплением ослабших контактов в них и в крайнем случае заменой поврежденного участка проводов между ответвительными коробками и закладными коробками розеток, выключателей. Для этого удаляется поврежденный провод и одновременно при его помощи протягивается через канал новый провод. Если это не удается, то провод перекусывается у выхода из коробок, а новый укладывается в пробитую для него канавку в стене. Затем канавка заделывается цементным или алебастровым раствором.
Перед монтажом электропроводки необходимо определить места, установки группового щитка, светильников, розеток, стационарных электроприборов, произвести разметку проводов, мест их поворотов, проходов через стены. Для открытой проводки наметить места крепления проводов.
В жилых домах высота установки розеток выбирается исходя из назначения помещения, оформления интерьера, удобств подключения электроприборов.
Обычно розетки размещают на высоте от 50 до 80 см от пола. Выключатели потолочных светильников устанавливают на высоте 1,5 м. Выключатели у входной двери в помещение ставят так, чтобы открытая дверь их не загораживала. В помещении для постоянного пребывания детей (в специальных детских комнатах) розетки и выключатели поднимают до высоты 1,8 м от пола.
Внутри туалетных и ванных комнат выключатели и розетки устанавливать запрещено. Исключение составляют розетки для электробритв и фенов, питающиеся через разделительный трансформатор с двойной изоляцией. Последний монтируется в специальном блоке за пределами этих помещений. Запрещено также устанавливать розетки ближе чем в 50 см от заземленных металлических устройств (трубы, батареи, раковины, газовые и электроплиты). Розетки на стене, разделяющей две комнаты одной квартиры, удобно ставить с каждой стороны стены, включая параллельно их через отверстие в стене.
В помещениях соединения и ответвления проводов при всех видах электропроводок выполняются в соединительных и ответвительных коробках. Места соединений проводов не должны испытывать механических воздействий, их изоляция обязана быть равноценной по электрической прочности основной изоляции провода. Жилы заземляющих и нулевых защитных проводов соединяются между собой посредством сварки. Присоединение этих проводников к электроприборам, подлежащим заземлению или занулению, выполняется болтовыми соединениями.
Металлические корпуса электроплит (стационарных) зануляются, для чего от квартирного щитка прокладывается отдельный проводник сечением, равным сечению фазного провода. Этот проводник присоединяется к нужному защитному проводнику питающей сети перед счетчиком.
В проводниках, обеспечивающих защитное заземление или зануление, не должно быть предохранителей и выключателей. В противном случае при срабатывании защиты все приборы, включенные в данную групповую линию, окажутся под опасным потенциалом сети.
Потолочные светильники подвешиваются на специальных металлических крюках, укрепленных в отверстиях перекрытий (рис. 5) и изолируются от этих крюков пластмассовой трубкой.

Рис. 5. Крюк для подвески к плите перекрытия светильников массой до 5 кг
Легкую осветительную арматуру допускается подвешивать на питающих ее проводах только в случаях, если эти провода изготовлены для этих целей. Однако во всех случаях провода в местах контактных зажимов в патроне и соединительной колодке на потолке не должны нести механических нагрузок.
В эксплуатации сейчас имеются патроны для ламп накаливания как с токоведущей винтовой гильзой (устаревшая конструкция), так и с полированной. В целях электробезопасности токоведущие гильзы должны быть присоединены к нулевому (заземленному) проводу, центральный пружинящий контакт патрона — к фазному проводу Патроны с изолированной гильзой в этом отношении безопаснее, так как цоколь ввертываемой в них лампы окажется под напряжением только после того, как он будет утоплен в изоляционный корпус патрона.
При открытой электропроводке провода закрепляют непосредственно на поверхности стен, потолков, балок, а также на изоляторах, в металлических, пластмассовых трубах, в коробах, в электротехнических плинтусах и т. п.
Открытую электропроводку, располагаемую на поверхности бетонных, кирпичных или оштукатуренных деревянных стен, в частности оклеенных обоями, выполняют плоскими проводами марок АППВ, ППВ, АППР, защищенными проводами или легкими небронированными кабелями. Для этого сверлят по разметке или пробивают в стене отверстия диаметром 10 мм, в которые вмазывают скобки (полоски из жести шириной 8—10 мм). Скобки могут крепиться и при помощи дюбелей.
Расстояния между точками крепления провода вдоль его оси не должны быть больше 400 мм, при креплении гвоздями (на деревянной стене) — 250–300 мм. В местах пересечения проводов отверстия под скобку сверлят на расстоянии 50 мм от центра пересечения.
Ответвительные коробки крепятся на деревянном основании шурупами, на несгораемом — пластмассовыми дюбелями с шурупами или на клею. Допускается вариант без крепления коробки, которая в этом случае будет удерживаться проводами.
Провода, обрезанные с небольшим запасом под соответствующие участки линий, перед монтажом выправляют, протягивая их 2–3 раза через тряпку, зажатую в ладони. Затем отрезки проводов по предварительной разметке закрепляются на бетонной или кирпичной стене вмазанными в основание металлическими скобками, которые изгибаются, обжимают провод (рис. 6). Под скобками провода защищают слоем изоляционной ленты.

Рис. 6. Крепление плоских проводов металлическими скобами
На деревянном основании провода крепятся гвоздями диаметром 1,6–1,75 мм и длиной 20–25 мм со шляпкой 3 мм. Гвозди сначала забиваются примерно на 3/4 длины, а затем при помощи оправки (рис. 7) — до касания шляпкой перемычки провода. Дли удобства на оправке делается лунка под шляпку гвоздя.

Рис 7. Крепление плоских проводов гвоздями
В месте пересечения проводов на один из них подматываются 1–2 слоя изоляционной ленты на участке длиной 25–30 мм.
Провода в местах пересечения с трубами вводятся в изоляционные трубки и утапливаются в вырубленные в стене бороздки. Изоляционные трубки надеваются на провода и в местах их прохода через стены.
В местах изгиба (поворота) электропроводки разделительное основание провода (перемычка) вырезается на длину 70–80 мм (рис. 8). Удобно это сделать ножницами, боковыми кусачками или ножом.

Рис. 8. Изгиб проводов:
а — двухжильного; б — трехжильного
Концы провода, вводимые в ответвительные коробки или в коробки установочных устройств, откусываются с запасом в 65–75 мм, что обеспечит возможность повторного соединения жил и удобной замены розетки, выключателя.
В коробку провода вводятся так, чтобы вырезанный в них участок разделительного основания не выходил из коробки (см. рис. 3). Жилы проводов соединяются в коробках, оголенные концы жил изолируются липкой лентой, которая обматывается в несколько слоев внахлест без щелей для обеспечения надежной электрической изоляции и защиты жилы провода от окисления.
Изолированные концы проводов укладываются в коробках таким образом, чтобы они между собой не соприкасались. Концы проводов у ввода в коробку закрепляются на стене на расстоянии 50 мм от коробки. Коробка закрывается крышкой.
При открытой проводке выключатели и розетки защищенного исполнения устанавливают на прикрепленных к стене деревянных или пластмассовых подрозетниках диаметром на 8—10 мм больше устанавливаемого на нем устройства.
Технология прокладки электропроводки с защищенными проводами и кабелями практически не отличается от прокладки проводки с плоскими проводами. Различие лишь в способах крепления токопроводящих жил. Легкие небронированные кабели с двумя жилами крепятся к основанию металлическими скобками с одной лапкой или скобками с пряжками, а два-три параллельно идущих кабеля — скобками с двумя лапками. На бетонном или кирпичном основании скобки фиксируются шурупами, ввинчиваемыми в распорные дюбели или в металлические спирали, вмазанные в основание. На дереве скобки удерживают шурупами. Способы крепления кабелей приведены на рис. 9.

Рис. 9. Крепление кабелей различными скобами:
а — с одной лапкой; б — с двумя лапками; в — с пряжкой
Расстояние между точками крепления кабеля не более 500 мм, в местах изменения направления кабеля радиус его изгиба должен быть не менее 10 диаметров. Первая скобка располагается в 10–15 мм от начала изгиба.
Проходы кабеля через деревянные стены выполняются в отрезках металлических труб, в несгораемых стенах — в пластмассовых трубках или втулках.
Соединяются кабели в ответвительных пластмассовых коробках, которые закрепляются на основании шурупами. Кабель, вводимый в корпус светильника, выключателя или розетки, дополнительно закрепляется на расстоянии 50—100 мм от ввода. Разводка и крепление защищенных проводов идентичны разводке и креплению кабельной линии.
Электропроводку под штукатурку, выполняемую мокрым способом, прокладывают проводами АППВ, АПВ, АППВС, АПП. По предварительной разметке электропроводки заготавливают гнезда под ответвптельные коробки, коробки розеток и выключателей, пробивают проходные отверстия в стенах. Коробки вмазывают в свои гнезда так, чтобы они выступали из стены на толщину слоя будущей штукатурки.
Провода нарезают нужной длины с запасом 100–120 мм на каждую сторону для соединений и закрепляют («примораживают») на поверхности стены небольшими порциями алебастрового раствора (рис. 10).

Рис. 10. Крепление провода алебастровым раствором («примораживание»)
Чтобы эти алебастровые островки не выступали над слоем будущей штукатурки, их нужно спустя одну-две минуты после укладки, пока они не затвердели полностью, приплюснуть почти до изоляции провода.
После закрепления коробок и проводов, введения концов проводов в коробки с надетыми на эти концы отрезками изоляционных трубок можно накладывать на стены слой штукатурки.
Соединения и ответвления проводов в коробках, установка выключателей и розеток производятся после окраски стен или оклейки их обоями.
При ремонте или модернизации электропроводки под слоем сухой штукатурки пробивать в ней канавки для проводов по всей трассе не требуется, да и нельзя. Сухая штукатурка обычно закрепляется на стене на рейках, и между стеной и штукатуркой имеется пустота. В этом случае, чтобы проложить провода, достаточно по нужной трассе пробить в штукатурке несколько отверстий диаметром 30–40 мм, через которые последовательно протолкнуть жесткую проволоку, с помощью которой затем можно протащить провода по всей трассе. В местах перехода через рейку в штукатурке придется пробивать короткие канавки, оканчивающиеся сквозными отверстиями. Все отверстия и канавки заделываются алебастровым раствором.
Чтобы не испортить обои, их нужно в местах отверстий и канавок подрезать и отогнуть, а после окончания работы подклеить обратно.
Изучение схемы электропроводки. Без знания принципиальной электрической и монтажной схем электропроводки (особенно скрытой) часто сложно, а иногда и невозможно найти неисправность. Например, из-за последовательного и параллельного соединения отдельных участков схемы исчезновение напряжения на каком-либо оконечном устройстве может быть вызвано нарушением контактов совсем в другом месте.
Поэтому домашнему электрику следует изучить схему электропроводки в своей квартире и составить ее принципиальную и монтажную схемы.
Ознакомление с электропроводкой целесообразно начать с вводного устройства. В этих устройствах (они в современных городских домах, как правило, типовые) от вводно-распределительного щита жилого дома линия трехфазного переменного тока с напряжением 380/220 В разводится через стояки по этажным в квартирным групповым щиткам, располагаемым в нишах лестничных клеток, на этажных площадках или в прихожей квартиры. На групповых щитках установлены расчетные счетчики для каждой квартиры, а также выключатели и аппараты защиты (предохранители или автоматические выключатели) для каждой групповой линии. В одну квартиру может вводиться несколько самостоятельных групповых линий, в том числе отдельная силовая (более мощная) линия для питания электроплиты и других электроприборов кухни.
Для каждой групповой линии в квартиру вводится один фазный провод и нулевой рабочий провод, соединенный на трансформаторной подстанции с заземленной нейтралью. Нулевой и фазный провода составляют одну фазу. Аппараты защиты, стоящие на групповом щитке, включают в фазный провод.
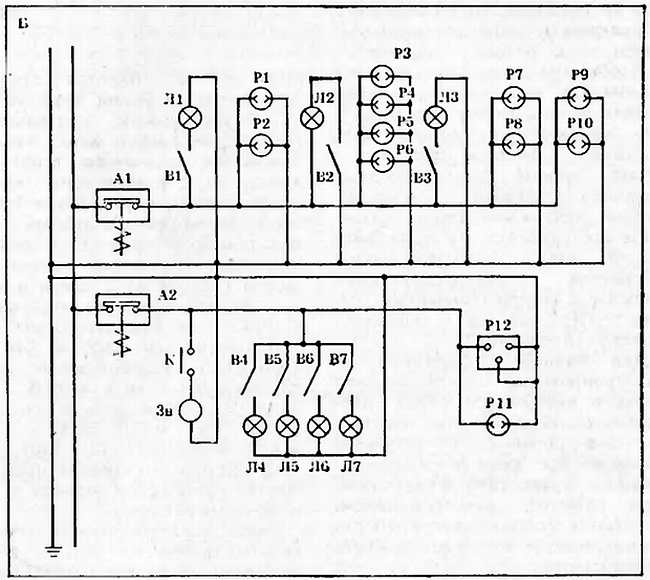
Зафиксировав на плане групповой щиток с выключателями и аппаратами защиты, отметим на плане квартиры все розетки, выключатели, светильники, предохранители, звонок и его кнопку (рис. 11, А).
Затем определим число самостоятельных линий, составляющих электропроводку квартиры и имеющих свою автоматическую защиту, с одновременным выяснением принадлежности к ним каждого светильника и розетки. Для этого не нужны какие либо специальные приборы. Нужно просто включить все светильники и задействовать розетки имеющимися настольными лампами, торшерами, радиоприемниками и другими приборами, по которым можно одновременно судить о наличии напряжения в розетках. Отключая на групповом щитке по очереди защитные устройства (предохранители, автоматические выключатели), отметим обесточенные оконечные устройства и свяжем их на подготовленном плане с данной группой линией. Одновременно выясняется — по одному или по два предохранителя защищают каждую линию.
В современных многоэтажных домах автомат защиты стоит только в фазном проводе, в домах ранней постройки при напряжении в трехфазной линии 220/127 В один предохранитель стоит в прямом, другой — в обратном проводе. Так, если после выключения одного предохранителя выключение другого не меняет состояния оконечных устройств, значит, эти два предохранителя защищают одну фазу о обеих сторон. Если же после отключения предохранителей обесточиваются разные группы оконечных устройств, значит, эти устройства принадлежат к самостоятельным линиям. Когда на групповом щитке стоят три предохранителя на квартиру, то третий, как правило, будет общим (включается он перед счетчиком).
Для определения принадлежности гнезд розеток, клемм включателей и патронов светильников к фазным проводам линии или к ее нейтрали понадобится индикатор напряжения с неоновой лампочкой.
Все контактные гнезда розеток, при касании к которым лампочка индикатора светится, соединены с фазным проводом, противоположные — с нейтралью. Это нужно обозначить на схеме электропроводки.
Соединение клемм светильника и клемм его выключателя с фазой или нейтралью можно определить, сняв крышку выключателя и касаясь его клемм индикатором.
Если при замкнутом выключателе светильник горит, а индикатор не светится, то выключатель подключен к нейтрали, если светится — к фазному проводу.
Чтобы при смене перегоревшей лампы или при ремонте патрона работа велась не под напряжением, выключатель должен быть соединен с фазным проводом, а цоколь лампы (его наружная обечайка с резьбой) — с заземленной нейтралью. После подобного исследования на принципиальной схеме электропроводки обозначим «потенциальные» клеммы и гнезда оконечных устройств. На рис. 11, Б приведен пример такой схемы.

Рис. 11. Пример электропроводки квартиры:
А — план расположения оконечных устройств; Б — принципиальная схема: А1, А2 — автоматические предохранители: Л1-Л7 — лампы светильников; В1-В7 — выключатели светильников; P1-Р11 — розетки; Р12 — разъем для подключения электроплиты; Зв — звонок; К — кнопка звонка
Для полной информации об электропроводке желательно знать и монтажную схему проводки с обозначением ответвительных коробок. В открытой проводке все цепи и соединения можно проследить визуально. Для скрытой электропроводки требуются специальные приборы, определяющие ее трассу и места повреждений.
Возможен вариант изучения схемы последовательным отсоединением участков проводки от ответвительных коробок и оконечных устройств с «прозвонкой» этих участков. Такая работа трудоемка и может быть оправдана только в случае возникновения повреждений в электропроводке.
Как искать неисправность в электропроводке. Прежде чем рекомендовать методы поиска неисправностей, рассмотрим простой пример. В елочной гирлянде последовательно включены 32 лампочки. Как за минимальное время найти перегоревшую, если их цветные колбы не прозрачные? При последовательной проверке каждой лампочки в худшем случае придется сделать 31 измерение. Такой метод поиска будет самым длительным. Рассмотрим другой метод, заключающийся в делении всей гирлянды на 2 равные по числу ламп группы, определении группы с перегоревшей лампой путем проверки группы в целом, очередном делении уменьшившейся группы на 2 части и т. д. до нахождения перегоревшей лампы. Этот принцип будет оптимальным, так как где бы ни находилась перегоревшая лампа, мы найдем ее в нашей гирлянде максимум за 5 измерений, в гирлянде из 16 ламп — за 4 измерения (рис. 12). Этот простой пример показывает преимущество системного подхода к поиску неисправности.

Рис. 12. Пример поиска перегоревшей лампы в елочной гирлянде
Схема электропроводки сложнее гирлянды не только из-за большего числа элементов, но и потому, что неисправности в ней могут быть результатом последовательного проявления целой цепочки причин и их последствий. Допустим, например, что в результате ослабления контактного зажима в разъеме шнура питания электроплитки замкнулись концы проводов и произошло перегорание предохранителей. По этой причине появилось новое следствие — погасла настольная лампа. Это стало конечным проявлением данной цепочки причин и следствий, которое и вынудило нас искать виновный элемент. Лампа могла погаснуть и от нарушения ее контактов в патроне, обрыва шнура, перегорания самой лампы и т. д. Предохранитель мог сгореть тоже по другой причине. Но как найти причину действительную, основную? Проверять все подряд? Мы убедились на примере с гирляндой, что это неразумно. В подобных случаях спешат сменить предохранители. В нашем примере он снова сгорит, так как причина (замыкание в разъеме) не устранена. Значит, и этот ход не годится. Для поиска неисправности электропроводки может быть рекомендован метод выделения из общей схемы подозреваемых участков на основании проявляющихся последствий и причин, которые могли их вызвать. При этом первоочередной проверке предположений (вероятных причин неисправности) следует подвергать те, которые проверяются более простыми средствами.
Но вернемся к примеру с неудачной заменой предохранителей. Следует помнить, что замену сгоревшего предохранителя или повторное включение автоматической защиты можно производить только после устранения причины, вызвавшей короткое замыкание или перегрузку линии. Если включение и сеть прибора вызвало мгновенное отключение защиты, то почти наверняка неисправен этот прибор, кроме случая, если потребляемая им мощность, добавившись в имевшейся нагрузке линии, превысила защищаемый уровень. Если же защита сработала неожиданно и без явной причины, придется отключить все приборы и только тогда включать защитные устройства. При их повторном срабатывании неисправность следует искать в электропроводке.
Обрывы проводов при скрытой проводке бывают очень редко, и обычно они возникают в виде изломов у многократно изгибаемых в этом месте одножильных проводов. Например, у плохо закрепленных розеток и выключателей, в месте выхода проводов из канала потолочного перекрытия у люстры из-за ее частого качания при протирке от пыли, от смены ламп. Концы проводов, выходящие из каналов строительных конструкций, имеют запас, который позволяет после излома на конце один-два раза провести повторную зачистку изоляции для укрепления провода в контактном зажиме. Если после излома провод не доходит до зажима, его нужно нарастить отрезком другого провода. Соединение медных жил проводят пайкой, алюминиевые жилы можно соединить трубкой, имеющей у концов винтовые зажимы. Трубка должна быть стальной с антикоррозийным покрытием. Места соединений изолируются хлорвиниловой трубкой или липкой лентой.
Провода, кабели, шнуры. Провод — одна или несколько голых или изолированных жил (проволок). Шнур отличается от провода гибкостью (жила обязательно многопроволочная); кроме того, жилы шнура соединены между собой скруткой или общей оплеткой. Кабель — несколько изолированных проводов в защитной герметичной оболочке.
В электропроводке в основном применяются алюминиевые жилы, которые дешевле медных, хотя последние допускают в 1,5 раза большую плотность тока, в 2–3 раза прочнее при растяжении, не «текут» в контактных зажимах и устойчивее к коррозии. Для проводки в сухих помещениях рекомендуются марки проводов, приведенные в табл. 1.
Как уже говорилось, провода марок АППВ, АПВ, ППВ, АППВС удобно на открытой поверхности крепить скобками, алебастровым раствором, в желобах панелей заливать цементным раствором, покрывать слоем штукатурки; провода марок АППВ, ППВ можно прибивать гвоздями.
Большинство бытовых электроприборов (кроме утюгов и плиток) выпускается со шнурами в поливинилхлоридной изоляции с опресованной (неразборной) вилкой. Для замены вышедших из строя шнуров можно применять шнуры марок ШВ-1 и ШВ-2 (без защитной оболочки) и ШВВП (с оболочкой). Для утюгов и плиток выпускаются шнуры в резиновой изоляции, например ШРС и ШТР. Для подвески легких светильников применяют специальный грузонесущий шнур марки ШПС.
Выбор сечения жилы провода определяется длительным значением максимального тока, нагревающего изоляцию, и механическими нагрузками на провод, в том числе в контактных зажимах оконечных устройств электропроводки. Рабочая температура проводов и шнуров в резиновой изоляции не должна превышать 65 °C, в пластмассовой — 70 °C. Следовательно, при комнатной температуре в 25° допустимый перегрев изоляции не должен быть больше 40–45°. Для этих условий допустимое значение тока в зависимости от сечения жилы для проводов и шнуров приведены в таблице 2.
При расположении нескольких проводов в общей трубе, в канале скрытой проводки условия охлаждения их ухудшаются, они также нагревают друг друга, поэтому допустимый ток для них должен быть уменьшен на 10–20 %.
Сечение жилы S определяется через ее диаметр d по формуле S = 0,78∙d. Диаметр удобно замерять штангенциркулем (штангелем), дающим ошибку не более 0,1 мм. Чтобы узнать диаметр жилы при отсутствии штангеля, 10–20 витков очищенной от изоляции жилы следует намотать на толстый гвоздь, отвертку или другой стержень, плотно сжать витки провода и замерить обычной линейкой длину спирали. Разделив эту длину на число витков, получим искомый диаметр жилы. Для определения сечения многожильных гибких проводов и шнуров нужно замерить диаметр одной жилки, вычислить ее сечение, которое умножить на число жилок в проводе.
При относительно малых токах сечение жил определяется механической прочностью проводника, особенно в винтовых контактных зажимах. Исходя из этого сечение медной жилы не должно быть меньше 1 мм2, алюминиевой — 2 мм2. Для открытой стационарной внутренней проводки на роликах сечение алюминиевой жилы не должно быть меньше 2.5 мм2.
По сечению проводов в своей квартире полезно проверить, согласуются ли они с максимальной фактической нагрузкой, а также током защитных предохранителей или автоматического выключателя.
Освещение, светильники. Рациональное освещение — это получение достаточной освещенности путем наиболее выгодного выбора мест размещения светильников, их числа и мощности ламп при эстетическом световом оформлении помещения.
Электрическое освещение подразделяется на общее, местное и комбинированное. При общем освещении требуется равномерно осветить все помещение. Для этого обычно наиболее мощные подвесные светильники подвешиваются в центре потолка. Светильники с направленным вниз световым потоком обычно используют для освещения главной зоны комнаты. Световой поток может быть направлен и вверх. Отражаясь от потолка, он создает мягкое освещение всей комнаты. Такое освещение часто применяют для комнаты отдыха, спальни.
В светильниках общего освещения может применяться одна мощная лампа (100–200 Вт) или несколько ламп с общей мощностью 200–300 Вт. Многоламповые светильники имеют, как правило, две группы ламп, каждая из которых выводится на свой выключатель. При этом нужно распределить лампы такого светильника между группами так, чтобы получить при двух группах три разных режима по суммарной мощности. Например, при пятирожковой люстре (5 ламп по 60 Вт) можно на время отдыха включить группу из двух ламп, во время еды — группу из трех ламп, при приеме гостей — все пять ламп (рис. 13).

Рис. 13. Схема выключения ламп пятирожкового светильника
В ванных комнатах, в прихожей используются одноламповые светильники. Отметим, что люминесцентные лампы значительно экономичнее ламп накаливания, а одна лампа накаливания дает больший световой поток, чем несколько ламп той же суммарной мощности. Например, эффективно включить две лампы по 60 Вт, чем три по 40 Вт.
Определить общую мощность ламп при общем освещении можно, умножив площадь помещения на необходимую для требуемых условий удельную мощность светильников, приведенную в таблице 3.
Общее освещение всего помещения не рационально доводить до уровня освещенности, требуемого на небольшом участке для чтения, черчения, вышивания, приготовления пищи и т. п. В этом случае эффективнее местное освещение с одноламповым светильником, но расположенным вблизи рабочего места. Например, для чтения, письма, технического творчества достаточно лампы накаливания 60–75 Вт на расстоянии 50–60 см, для черчения — 100 Вт на том же расстоянии или 150 Вт на расстоянии 80–00 см.
Подготовка отверстий, гнезд, канавок в строительных конструкциях под электропроводку. Перед проведением подобных работ необходимо провести предварительную разметку. Красный и силикатный кирпич, шлакобетон, сухая штукатурка обрабатываются относительно легко. Отверстия в этих материалах сверлятся обычной электродрелью сверлами с твердосплавными режущими кромками или пробиваются шлямбуром. Бетон с наполнителем из гранитного щебня или гальки отличается высокой твердостью и сверлится специальной электрической машиной ударно- вращательного действия, режущий инструмент в которой способен дробить наполнитель и высверливать бетонную связку. Небольшое число отверстий можно получить чередованием сверления обычной электродрелью с пробивкой отверстии скарпелью. Твердые включения можно дробить и стальным закаленным дюбелем. Держать такой дюбель под ударами молотка удобно ручкой из проволоки.
При скрытой проводке на кирпичном, шлаковом, шлакобетонном основаниях розетки и выключатели устанавливают в специальных стальных коробках (см. рис. 2), имеющих два надрубленных отверстия для зацепления распорных лапок розетки или выключателя. Наружный диаметр коробки — 72 мм, глубина — 36 мм. Коробки нетрудно изготовить из кровельного железа, жести или подходящих по размерам консервных банок. Гнезда под эти коробки сначала высверливают по периметру сверлом 6–8 мм, а затем вырубают зубилом.
При работе с молотком и зубилом необходимо приобрести практические навыки по нанесению точных и сильных ударов, учитывая при этом, что глядеть при ударах нужно не на головку зубила, а на обрабатываемое место. Ударная часть зубила должна выступать из кисти руки на 20–25 мм. Удары наносятся по центру головки зубила, а направление удара должно совпадать с его осью. Твердые включения на пути зубила желательно не дробить, а вырубать (выбивать) из монолита основания.
Узкие канавки в стеновых панелях для утапливания проводов, например под местами пересечения с трубами, при перестановке выключателя или розетки удобно выполнять при помощи обычного пробойника.
При креплении скобок под открытую проводку дюбелями вполне достаточно отверстий глубиной 15–20 мм. А так как пластмассовые дюбеля обычно имеют большую длину, то после забивки в отверстие до упора их выступающая часть обрезается ножом или срубается стамеской. Роль пластмассовых дюбелей в сухих помещениях могут выполнять пропитанные олифой деревянные пробки. В центре забитой пробки сверлят отверстие диаметром 0,5–0,7 диаметра шурупа. Глубина отверстия — не более половины длины пробки. Дюбеля могут быть заменены и проволочными спиралями. Мягкая (отожженная) стальная или медная проволока диаметром 0,8–1,5 мм навивается на резьбу шурупа и вместе с ним вставляется в отверстие, заполненное жидким алебастровым раствором. После того как раствор слегка затвердеет, шуруп выворачивают, а поверхность стены защищают от выступающего раствора. Устанавливать скобки, подрозетники и другие элементы, закрепляемые на стенах шурупами, следует только после окончательного затвердевания раствора.
Более 800 000 книг и аудиокниг! 📚
Получи 2 месяца Литрес Подписки в подарок и наслаждайся неограниченным чтением
ПОЛУЧИТЬ ПОДАРОК